Kawasaki Robotics seria RD / szybkie roboty paletyzujące

Roboty Kawasaki Robotics serii RD dedykowane są do zadań paletyzacyjnych, posiadają duży zakres udźwigów (do 500 kg). Konstrukcja robotów Kawasaki Robotics serii RD zapewnia duży zasięg, dzięki czemu mogą one bezkolizyjnie układać towary na stosach palet o wysokości nawet ponad 3.5 metra.

  • geometria robota Kawasaki Robotics - zaprojektowana specjalnie do realizacji procesu paletyzacji
  • wzmocnione przekładnie - bezawaryjna praca Kawasaki Robotics przy przenoszeniu ciężkich ładunków z dużymi prędkościami
  • szybkość - duża szybkość ruchów robota pozwala uzyskać wydajność nawet 2000 cykli na godzinę
  • programowanie - strukturalny język programowania AS Language posiada dedykowane funkcje do realizacji zadań przenoszenia, co ułatwia i przyspiesza proces programowania i serwisowania aplikacji

Roboty Kawasaki Robotics serii RD dedykowane do zadań paletyzacyjnych posiadają cechy, które pozwalają na dużą elastyczność konfigurowania przestrzennego aplikacji.

Ich konstrukcja mechaniczna zapewnia bardzo duży zasięg, co udostępnia duże możliwości adaptacji przestrzennej robota Kawasaki Robotics. W razie potrzeby robot może jednocześnie paletyzować kilka różnych detali pochodzących z różnych końcówek linii i układać je na różne palety.

Konstrukcja robotów Kawasaki Robotics serii RD zapewnia duży zasięg, dzięki czemu mogą one bezkolizyjnie układać towary na stosach palet o wysokości nawet ponad 3.5 metra. Roboty Kawasaki dedykowane do paletyzacji posiadają duży zakres udźwigów (do 500 kg), dzięki czemu możliwe jest dobranie rozwiązania do indywidualnych potrzeb.

Roboty Kawasaki Robotics dostępne są z kontrolerem


Kontroler Kawasaki Robotics E0x

Kontroler E0X Kawasaki Robotics charakteryzują się niską wagą i posiada umiejętność ograniczania strat energii elektrycznej. Model E01, E02 i E04 dedykowane są dla serii robotów BA, BX, BT, CX, MX, RA, RS, ZX, natomiast E03 są obsługiwane przez roboty paletyzujące Kawasaki Robotics serii CP i RD.

Oprogramowanie


K-Roset

K-Roset to symulator zrobotyzowanych stanowisk pracy z robotami Kawasaki Robotics. W prosty i przejrzysty sposób pozwala na stworzenie symulacji, wykorzystując roboty z oferty Kawasaki Robotics.


KIDE

Program umożliwiający zaawansowaną pracę z robotami Kawasaki Robotics. Pozwala na realizację komunikacji terminalowej, kompleksowe tworzenie oraz modyfikowanie aplikacji. Posiada wbudowany edytor tekstowy, dzięki któremu można w wygodny sposób tworzyć programy.


CS-Configurator

CS-Configurator to program umożliwiający konfigurację funkcji bezpieczeństwa dostępnych w module Cubic-s dla robotów Kawasaki Robotics. Moduł ten odpowiada za monitorowanie ruchu robota Kawasaki Robotics – a w sytuacji, w której zostanie zarejestrowany ruch niedozwolony, robot zostaje zatrzymany awaryjnie.

Zastosowania


Zrobotyzowana paletyzacja i pakowanie

Pakowanie i paletyzacja (bądź depaletyzacja) to zadania mocno obciążające pracowników, które często stają się wąskim gardłem w zakładach produkcyjnych. Zastosowanie robotów przemysłowych Kawasaki Robotics pozwala uzyskać stałą wydajność linii pakującej/paletyzującej oraz jakość paletyzacji, a co za tym idzie terminowość dostaw i bezpieczeństwo produktów w transporcie.

Czytaj więcej.

Kawasaki Robotics RD - szybkie roboty paletyzujące




zdjęcie

Opis robota:

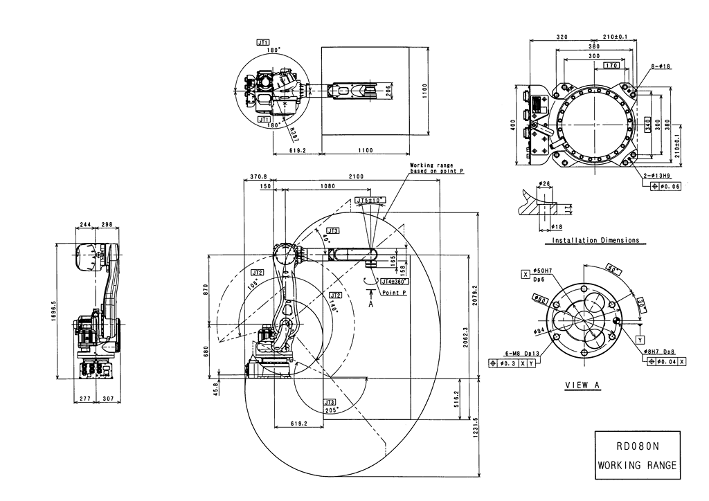
Robot RD080N z serii R to jednostka zaprojektowana specjalnie do paletyzacji. Została wyposażona w nowe silniki z 17-bitowymi enkoderami. Dzięki temu roboty serii R są jeszcze szybsze i precyzyjniejsze. Mała podstawa i smukła sylwetka czynią z tego robota idealne rozwiązanie do stosowania w ciasnych przestrzeniach hal produkcyjnych, a udźwig 80 kg umożliwia przenoszenie ciężkich przedmiotów. Idealny robot do obsługi końców linii produkcyjnych (paletyzacja, pakowanie).

Przestrzeń robocza

zdjęcie
Pobierz obrazek w wysokiej rozdzielczości
RD080N
Waga robota [kg]540
Maksymalny udźwig [kg]80
Maksymalny zasięg [mm]2100
Ilość stopni swobody 5
Powtarzalność [mm]+/-0.07
Zakres ruchu [°]
JT1 +/- 180
JT2+140~-105
JT3+40~-205
JT4 +/- 360
JT5 +/- 10*
JT6
Prędkości [°/s]
JT1180
JT2180
JT3175
JT4360
Montaż
podłogowyTAK
odwrotnyNIE
na ścianieNIE
na półceNIE
KontrolerE03
 

Kontakt Przejdź do kontaktu »

Zostaw wiadomość lub zadaj pytanie – odpowiemy niezwłocznie.

Wsparcie handlowe

12 424 00 60
sprzedaz@astor.com.pl

Wsparcie techniczne

12 424 00 88
support@astor.com.pl

Formularz kontaktowy

Napisz do nas - odpowiemy w ciągu 24h

*wymagane

Imię i nazwisko:*

Adres e-mail:*

Numer telefonu:*

Kontakt z oddziałem*






Komentarz:*

Twoje dane osobowe udostępnione w formularzu będą przetwarzane przed Grupę ASTOR zgodnie z zasadami.

Kontakt

Potrzebujesz pomocy? Skontaktuj się z nami. Odpowiemy na wszystkie Twoje pytania.

Wsparcie handlowe
12 424 00 60
sprzedaz@astor.com.pl

Wsparcie techniczne

Współpracujemy z:

O ASTOR

Firma ASTOR od 30 lat wspiera podnoszenie efektywności procesów w przemyśle, produkcji oraz infrastrukturze dostarczając komponenty automatyki przemysłowej, robotyki, systemy IT oraz wiedzę biznesową i techniczną. Kierunek wspierania rozwoju i transformacji naszych Klientów wyznacza Przemysł 4.0. W naszym portfolio znajdują się systemy sterowania Emerson Industrial Automation&Control (dawniej GE Intelligent Platforms, GE Fanuc), Horner APG oraz Astraada One, oprogramowanie przemysłowe AVEVA (dawniej Wonderware), roboty przemysłowe Kawasaki i Epson, produkty do bezprzewodowej transmisji danych SATEL Oy i Astraada, a także falowniki, panele HMI i urządzenia sieciowe Astraada. Oferujemy usługi doradcze w ramach ASTOR Consulting i szkolenia w ramach Akademii ASTOR.


Kontakt

12 428 63 00
PL EN