• ID w Profesal: 19133

Kawasaki Robotics seria CP / roboty paletyzujące

Roboty Kawasaki Robotics serii CP zostały zaprojektowane specjalnie do zastosowań związanych z paletyzacją. Roboty te charakteryzują się udźwigami od 180 do 700 kg z dużym zasięgiem dla zwiększonej przepustowości, co pomaga poprawić wydajność linii produkcyjnej.

  • geometria robota Kawasaki Robotics - zaprojektowana specjalnie do realizacji procesu paletyzacji
  • wzmocnione przekładnie - bezawaryjna praca przy przenoszeniu ciężkich ładunków z dużymi prędkościami
  • szybkość - duża szybkość ruchów robota Kawasaki Robotics pozwala uzyskać wydajność nawet 2000 cykli na godzinę
  • programowanie - strukturalny język programowania AS Language posiada dedykowane funkcje do realizacji zadań przenoszenia, co ułatwia i przyspiesza proces programowania i serwisowania aplikacji

Firma Kawasaki Robotics w 2015 roku wprowadziła nową linię robotów do paletyzacji. Robot Kawasaki Robotics tej serii jest bardzo szybkim paletyzerem, osiągalnym dla każdego, a ponadto jest niezawodny i tani w eksploatacji.

Wysoki zasięg pionowy robotów paletyzujących jest idealny do tworzenia stosów palet i do zastosowań wielościeżkowych, w których robot musi sięgać po przychodzących i wychodzących liniach produkcyjnych. Szczególnie duży zasięg poziomy umożliwia zastosowanie robota Kawasaki w aplikacjach wymagających pięciu lub więcej linii palet wychodzących.
Wysoka ładowność umożliwia wielokrotne pobieranie produktów i przenoszenie całych warstw palet, co prowadzi do zmniejszenia czasu potrzebnego na załadowanie palety.
Dostępne jako opcja oprogramowanie do paletyzacji K-SPARC firmy Kawasaki Robotics, która umożliwia użytkownikom szybką i łatwą symulację planowania układu i operacji, a także tworzenie programów obsługi robota na komputerze.

Kontroler Kawasaki Robotics CP serii E03 stanowi zaledwie 25% standardowego rozmiaru kontrolera paletyzacji (41% z jednostką transformatorową) i mieści się m.in. pod przenośnikami. Sterownik E03 przetwarza energie z hamowania i oddają ją w postaci elektrycznej do sieci, zmniejszając zużycie energii i minimalizując emisję.

 

Roboty Kawasaki Robotics dostępne są z kontrolerem


Kontroler Kawasaki Robotics E0x

Kontroler E0x Kawasaki Robotics charakteryzują się niską wagą i posiada umiejętność ograniczania strat energii elektrycznej. Model E01, E02 i E04 dedykowane są dla serii robotów BA, BX, BT, CX, MX, RA, RS, ZX, natomiast E03 są obsługiwane przez roboty paletyzujące CP i RD.

Oprogramowanie do robotów Kawasaki Robotics


K-Roset

K-Roset to symulator zrobotyzowanych stanowisk pracy z robotami Kawasaki Robotics. W prosty i przejrzysty sposób pozwala na stworzenie symulacji, wykorzystując roboty z oferty Kawasaki Robotics.


KIDE

Program umożliwiający zaawansowaną pracę z robotami Kawasaki Robotics. Pozwala na realizację komunikacji terminalowej, kompleksowe tworzenie oraz modyfikowanie aplikacji. Posiada wbudowany edytor tekstowy, dzięki któremu można w wygodny sposób tworzyć programy.


CS-Configurator

CS-Configurator to program umożliwiający konfigurację funkcji bezpieczeństwa dostępnych w module Cubic-s dla robotów Kawasaki Robotics. Moduł ten odpowiada za monitorowanie ruchu robota Kawasaki Robotics – a w sytuacji, w której zostanie zarejestrowany ruch niedozwolony, robot zostaje zatrzymany awaryjnie.

Zastosowania


Zrobotyzowana paletyzacja i pakowanie

Pakowanie i paletyzacja (bądź depaletyzacja) to zadania mocno obciążające pracowników, które często stają się wąskim gardłem w zakładach produkcyjnych. Zastosowanie robotów przemysłowych Kawasaki Robotics pozwala uzyskać stałą wydajność linii pakującej/paletyzującej oraz jakość paletyzacji, a co za tym idzie - terminowość dostaw i bezpieczeństwo produktów w transporcie.

Czytaj więcej.

Kawasaki Robotics Seria CP




zdjęcie

Opis robota:

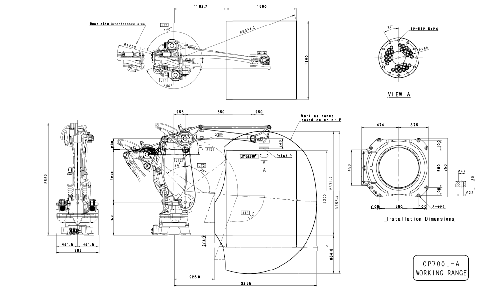
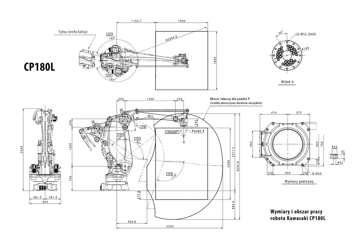
Robot CP180L to nowy robot serii CP przeznaczony do paletyzacji. Jego konstrukcja zapewnia duży zasięg, dzięki czemu może on bezkolizyjnie układać towary na stosach palet o wysokości nawet 3.2 metra. Duża wydajność pozwala mu przenieść ponad 260 ton na godzinę.

Przestrzeń robocza

zdjęcie
Pobierz obrazek w wysokiej rozdzielczości
CP180L
Waga robota [kg]1600
Maksymalny udźwig [kg]180
Maksymalny zasięg [mm]3255
Ilość stopni swobody 4
Powtarzalność [mm]+/- 0.5
Zakres ruchu [°]
JT1+/- 160
JT2+95 ~ -46
JT3+15 ~ -110
JT4+/- 360
Prędkości [°/s]
JT1130
JT2120
JT3125
JT4330
Montaż
podłogowyTAK
odwrotnyNIE
na ścianieNIE
na półceNIE
KontrolerE03
 



zdjęcie

Opis robota:

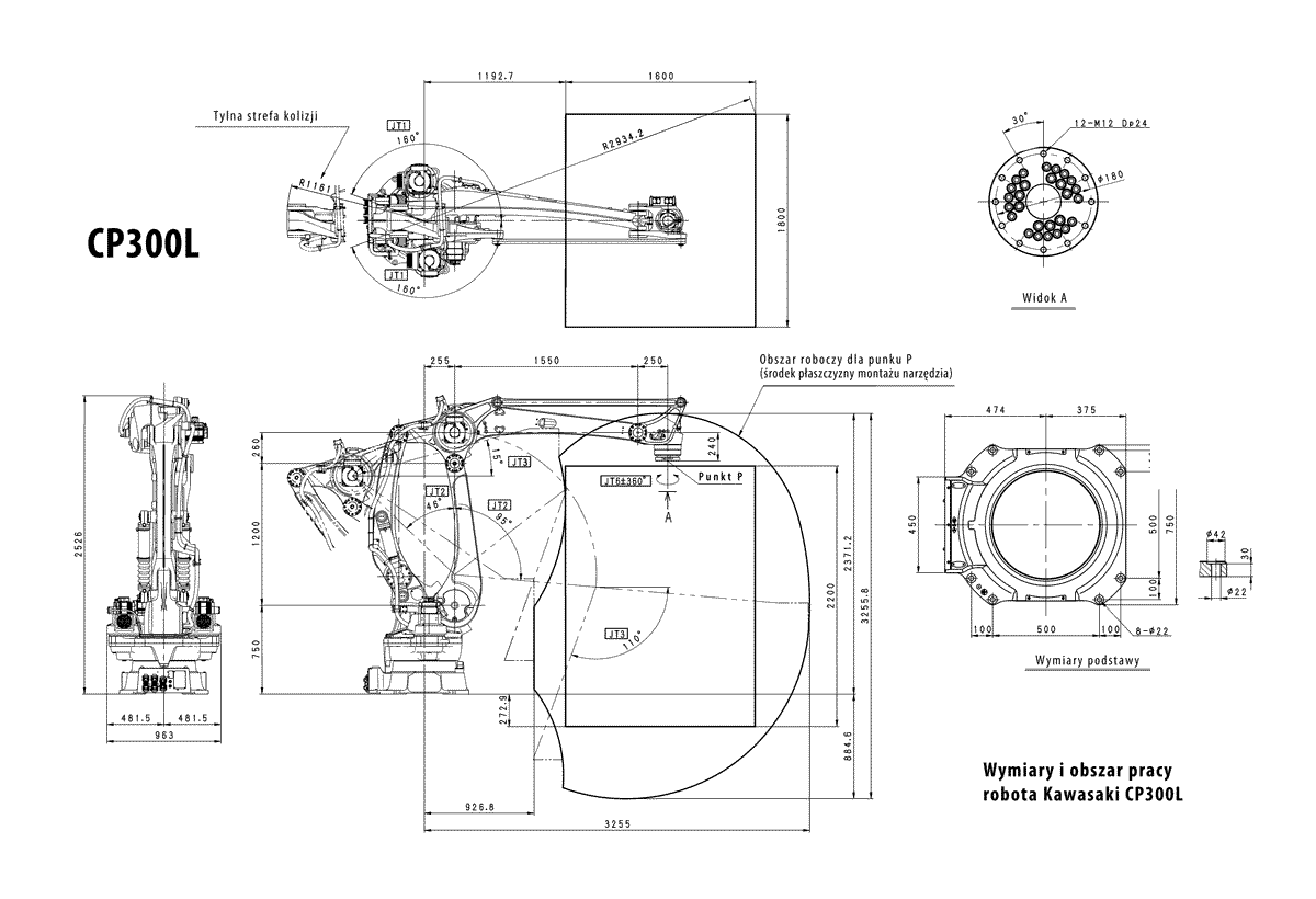
Robot CP300L to nowy robot serii CP przeznaczony do paletyzacji. Jego konstrukcja zapewnia duży zasięg, dzięki czemu może on bezkolizyjnie układać towary na wysokich stosach palet. Duża wydajność (do 1700 cykli/h) pozwala mu przenieść ponad 420 ton w ciągu godziny.

Przestrzeń robocza

zdjęcie
Pobierz obrazek w wysokiej rozdzielczości
CP300L
Waga robota [kg]1600
Maksymalny udźwig [kg]300
Maksymalny zasięg [mm]3255
Ilość stopni swobody 4
Powtarzalność [mm]+/- 0.5
Zakres ruchu [°]
JT1+/- 160
JT2+95 ~ -46
JT3+15 ~ -110
JT4+/- 360
Prędkości [°/s]
JT1100
JT290
JT390
JT4220
Montaż
podłogowyTAK
odwrotnyNIE
na ścianieNIE
na półceNIE
KontrolerE03
 



zdjęcie

Opis robota:

Robot CP500L to nowy robot serii CP przeznaczony do paletyzacji. Jego konstrukcja zapewnia duży zasięg, dzięki czemu może on bezkolizyjnie układać towary na wysokich stosach palet. Duża wydajność (do 1000 cykli/h) pozwala mu przenieść nawet 500 ton w ciągu godziny.

Przestrzeń robocza

zdjęcie
Pobierz obrazek w wysokiej rozdzielczości
CP500L
Waga robota [kg]1650
Maksymalny udźwig [kg]500
Maksymalny zasięg [mm]3255
Ilość stopni swobody 4
Powtarzalność [mm]+/- 0.5
Zakres ruchu [°]
JT1+/- 160
JT2+95 ~ -46
JT3+15 ~ - 110
JT4+/- 360
Prędkości [°/s]
JT185
JT280
JT380
JT4180
Montaż
podłogowyTAK
odwrotnyNIE
na ścianieNIE
na półceNIE
KontrolerE03
 



zdjęcie

Opis robota:

Robot CP700L to największy robot serii CP przeznaczony do paletyzacji. Jego konstrukcja zapewnia duży zasięg, dzięki czemu może on bezkolizyjnie układać towary na wysokich stosach palet. Duża wydajność (do 900 cykli/h) pozwala na paletyzację ponad 600 ton w ciągu jednej godzny.

Przestrzeń robocza

zdjęcie
Pobierz obrazek w wysokiej rozdzielczości
CP700L
Waga robota [kg]1650
Maksymalny udźwig [kg]700
Maksymalny zasięg [mm]3255
Ilość stopni swobody 4
Powtarzalność [mm]+/- 0.5
Zakres ruchu [°]
JT1+/- 160
JT2+95 ~ -46
JT3+15 ~ - 110
JT4+/- 360
Prędkości [°/s]
JT175
JT265
JT365
JT4170
Montaż
podłogowyTAK
odwrotnyNIE
na ścianieNIE
na półceNIE
KontrolerE03
 

Kontakt Przejdź do kontaktu »

Zostaw wiadomość lub zadaj pytanie – odpowiemy niezwłocznie.

Wsparcie handlowe

12 424 00 60
sprzedaz@astor.com.pl

Wsparcie techniczne

12 424 00 88
support@astor.com.pl

Formularz kontaktowy

Napisz do nas - odpowiemy w ciągu 24h

*wymagane

Imię i nazwisko:*

Adres e-mail:*

Numer telefonu:*

Kontakt z oddziałem*






Komentarz:*

Twoje dane osobowe udostępnione w formularzu będą przetwarzane przed Grupę ASTOR zgodnie z zasadami.

Kontakt

Potrzebujesz pomocy? Skontaktuj się z nami. Odpowiemy na wszystkie Twoje pytania.

Wsparcie handlowe
12 424 00 60
sprzedaz@astor.com.pl

Wsparcie techniczne

Współpracujemy z:

O ASTOR

Firma ASTOR od 30 lat wspiera podnoszenie efektywności procesów w przemyśle, produkcji oraz infrastrukturze dostarczając komponenty automatyki przemysłowej, robotyki, systemy IT oraz wiedzę biznesową i techniczną. Kierunek wspierania rozwoju i transformacji naszych Klientów wyznacza Przemysł 4.0. W naszym portfolio znajdują się systemy sterowania Emerson Industrial Automation&Control (dawniej GE Intelligent Platforms, GE Fanuc), Horner APG oraz Astraada One, oprogramowanie przemysłowe AVEVA (dawniej Wonderware), roboty przemysłowe Kawasaki i Epson, produkty do bezprzewodowej transmisji danych SATEL Oy i Astraada, a także falowniki, panele HMI i urządzenia sieciowe Astraada. Oferujemy usługi doradcze w ramach ASTOR Consulting i szkolenia w ramach Akademii ASTOR.


Kontakt

12 428 63 00
PL EN