Roboty Kawasaki Robotics serii BX dedykowane są do zadań związanych z dużą liczbą przemieszczeń na krótkich dystansach (zgrzewanie, montaż, łączenie elementów, obsługa maszyn). Ograniczona masa i duża dynamika ruchów pozwala im z łatwością osiągać maksymalną prędkość i utrzymywać ją podczas pracy.
Roboty Kawasaki Robotics serii BX wyposażone są w lekkie ramiona i silniki o wysokiej wydajności i rozdzielczości oraz wykorzystują najnowszą technologię kontroli drgań.
Funkcje te pomagają skrócić czas potrzebny na ruchy o małym skoku, które stanowią główną część zgrzewania punktowego.
Ramię i nadgarstek robota Kawasaki Robotics serii B są wydrążone, co pozwala wewnętrznie poprowadzić wiązkę kabli do zgrzewania punktowego między podstawą a nadgarstkiem. To znacznie zwiększa wydajność zarówno programowania offline, jak i programowania na rzeczywistym stanowisku.
Okablowanie znajdujące się we wnętrzu robota Kawasaki Robotics jest w mniejszym stopniu narażone na przetarcie lub zwinięcie się, co w konsekwencji zmniejsza prawdopodobieństwo wystąpienia awarii.
Niewielka powierzchnia tych robotów o wąskim ramieniu pozwala na instalację w aplikacjach o „wysokiej gęstości” bez obniżania wydajności.
Kontroler Kawasaki Robotics E0x
Kontroler E0x Kawasaki Robotics charakteryzują się niską wagą i posiada umiejętność ograniczania strat energii elektrycznej. Model E01, E02 i E04 dedykowane są dla serii robotów BA, BX, BT, CX, MX, RA, RS, ZX, natomiast E03 są obsługiwane przez roboty paletyzujące CP i RD.
K-Roset to symulator zrobotyzowanych stanowisk pracy z robotami Kawasaki Robotics. W prosty i przejrzysty sposób pozwala na stworzenie symulacji, wykorzystując roboty z oferty Kawasaki Robotics.
Program umożliwiający zaawansowaną pracę z robotami Kawasaki Robotics. Pozwala na realizację komunikacji terminalowej, kompleksowe tworzenie oraz modyfikowanie aplikacji. Posiada wbudowany edytor tekstowy, dzięki któremu można w wygodny sposób tworzyć programy.
CS-Configurator to program umożliwiający konfigurację funkcji bezpieczeństwa dostępnych w module Cubic-s dla robotów Kawasaki Robotics. Moduł ten odpowiada za monitorowanie ruchu robota Kawasaki Robotics – a w sytuacji, w której zostanie zarejestrowany ruch niedozwolony, robot zostaje zatrzymany awaryjnie.
Obsługa maszyny to zadanie, które w dużej mierze decyduje o wydajności produkcji całego zakładu. Dlatego szczególnie ważna jest tu prędkość robotów przemysłowych. Ich precyzja i powtarzalność pozwala dodatkowo ograniczyć ilość braków i lepiej monitorować proces.
Czytaj więcej.Spawanie zawsze było jednym z głównych zastosowań robotów przemysłowych. Zastosowanie robota Kawasaki Robotics pozwala zachować stałą jakość produkcji przy jednoczesnym ograniczeniu zużycia materiałów. Sprawia to, że inwestycje w zrobotyzowane spawanie zwracają się szybko.
Czytaj więcej.W tym zastosowaniu roboty przemysłowe Kawasaki Robotics współpracują z dodatkowym wyposażeniem do przechowywania, przepompowywania oraz aplikowania substancji nakładanej. Systemy zbiorników, pomp i regulatorów stanowią integralną część stanowiska, którego głównym elementem jest robot. To robot Kawasaki Robotics za pomocą pistoletu (aplikatora) nanosi daną substancję na obiekt, który dodatkowo może się poruszać.
Czytaj więcej.
Opis robota:Robot serii BX wyposażony jest w szybsze i bardziej sprawne serwonapędy co w połączeniu z kompaktową budową i lekkimi materiałami użytymi do budowy elementów ramion pozwoliło uzyskać szybkiego i zwinnego robota. Niespotykanie małe wymiary montażowe to dodatkowa cecha, która pozwala na montaż tych robotów w szczególnie małych przestrzeniach roboczych. Zaawansowana funkcja stabilizacji drgań ramienia pozwala skrócić czas cyklu. |
Przestrzeń robocza![]() Pobierz obrazek w wysokiej rozdzielczości |
| BX100L | |
|---|---|
| Waga robota [kg] | 890 |
| Maksymalny udźwig [kg] | 100 |
| Maksymalny zasięg [mm] | 2597 |
| Ilość stopni swobody | 6 |
| Powtarzalność [mm] | +/- 0.06 |
| Zakres ruchu [°] | |
| JT1 | +/- 160 |
| JT2 | +76 ~ -60 |
| JT3 | +90 ~ -75 |
| JT4 | +/-210 |
| JT5 | +/-125 |
| JT6 | +/-210 |
| Prędkości [°/s] | |
| JT1 | 105 |
| JT2 | 130 |
| JT3 | 130 |
| JT4 | 200 |
| JT5 | 160 |
| JT6 | 300 |
| Montaż | |
| podłogowy | TAK |
| odwrotny | NIE |
| na ścianie | NIE |
| na półce | NIE |
| Kontroler | E02 |
| Stopień Ochrony IP | IP65 |
Opis robota:Robot serii BX wyposażony jest w szybsze i bardziej sprawne serwonapędy co w połączeniu z kompaktową budową i lekkimi materiałami użytymi do budowy elementów ramion pozwoliło uzyskać szybkiego i zwinnego robota. Niespotykanie małe wymiary montażowe to dodatkowa cecha, która pozwala na montaż tych robotów w szczególnie małych przestrzeniach roboczych. Zaawansowana funkcja stabilizacji drgań ramienia pozwala skrócić czas cyklu. |
Przestrzeń robocza![]() Pobierz obrazek w wysokiej rozdzielczości |
| BX100N | |
|---|---|
| Waga robota [kg] | 740 |
| Maksymalny udźwig [kg] | 100 |
| Maksymalny zasięg [mm] | 2200 |
| Ilość stopni swobody | 6 |
| Powtarzalność [mm] | +/- 0.06 |
| Zakres ruchu [°] | |
| JT1 | +/- 160 |
| JT2 | +120 ~ -65 |
| JT3 | +90 ~ -77 |
| JT4 | +/-210 |
| JT5 | +/-125 |
| JT6 | +/-210 |
| Prędkości [°/s] | |
| JT1 | 135 |
| JT2 | 110 |
| JT3 | 140 |
| JT4 | 200 |
| JT5 | 200 |
| JT6 | 300 |
| Montaż | |
| podłogowy | TAK |
| odwrotny | NIE |
| na ścianie | NIE |
| na półce | NIE |
| Kontroler | E02 |
| Stopień Ochrony IP | IP65 |
Opis robota:Robot serii BX wyposażony jest w szybsze i bardziej sprawne serwonapędy co w połączeniu z kompaktową budową i lekkimi materiałami użytymi do budowy elementów ramion pozwoliło uzyskać szybkiego i zwinnego robota. Niespotykanie małe wymiary montażowe to dodatkowa cecha, która pozwala na montaż tych robotów w szczególnie małych przestrzeniach roboczych. Zaawansowana funkcja stabilizacji drgań ramienia pozwala skrócić czas cyklu. |
Przestrzeń robocza![]() Pobierz obrazek w wysokiej rozdzielczości |
| BX100S | |
|---|---|
| Waga robota [kg] | 720 |
| Maksymalny udźwig [kg] | 100 |
| Maksymalny zasięg [mm] | 1634 |
| Ilość stopni swobody | 6 |
| Powtarzalność [mm] | +/- 0.06 |
| Zakres ruchu [°] | |
| JT1 | +/- 160 |
| JT2 | +120 ~ -65 |
| JT3 | +90 ~ -81 |
| JT4 | +/-210 |
| JT5 | +/-125 |
| JT6 | +/-210 |
| Prędkości [°/s] | |
| JT1 | 135 |
| JT2 | 125 |
| JT3 | 155 |
| JT4 | 200 |
| JT5 | 160 |
| JT6 | 300 |
| Montaż | |
| podłogowy | TAK |
| odwrotny | NIE |
| na ścianie | NIE |
| na półce | NIE |
| Kontroler | E02 |
| Stopień Ochrony IP | IP65 |
Opis robota:Robot serii BX wyposażony jest w szybsze i bardziej sprawne serwonapędy co w połączeniu z kompaktową budową i lekkimi materiałami użytymi do budowy elementów ramion pozwoliło uzyskać szybkiego i zwinnego robota. Niespotykanie małe wymiary montażowe to dodatkowa cecha, która pozwala na montaż tych robotów w szczególnie małych przestrzeniach roboczych. Zaawansowana funkcja stabilizacji drgań ramienia pozwala skrócić czas cyklu. |
Przestrzeń robocza![]() Pobierz obrazek w wysokiej rozdzielczości |
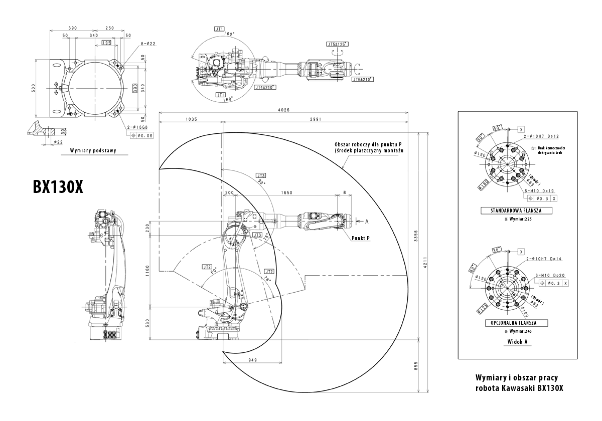
| BX130X | |
|---|---|
| Waga robota [kg] | 920 |
| Maksymalny udźwig [kg] | 130 |
| Maksymalny zasięg [mm] | 2991 |
| Ilość stopni swobody | 6 |
| Powtarzalność [mm] | +/- 0.06 |
| Zakres ruchu [°] | |
| JT1 | +/- 160 |
| JT2 | +76 ~ -60 |
| JT3 | +90 ~ -75 |
| JT4 | +/-210 |
| JT5 | +/-125 |
| JT6 | +/-210 |
| Prędkości [°/s] | |
| JT1 | 105 |
| JT2 | 90 |
| JT3 | 130 |
| JT4 | 200 |
| JT5 | 160 |
| JT6 | 300 |
| Montaż | |
| podłogowy | TAK |
| odwrotny | NIE |
| na ścianie | NIE |
| na półce | NIE |
| Kontroler | E02 |
| Stopień Ochrony IP | IP65 |
Opis robota:Robot serii BX wyposażony jest w szybsze i bardziej sprawne serwonapędy co w połączeniu z kompaktową budową i lekkimi materiałami użytymi do budowy elementów ramion pozwoliło uzyskać szybkiego i zwinnego robota. Niespotykanie małe wymiary montażowe to dodatkowa cecha, która pozwala na montaż tych robotów w szczególnie małych przestrzeniach roboczych. Zaawansowana funkcja stabilizacji drgań ramienia pozwala skrócić czas cyklu. |
Przestrzeń robocza![]() Pobierz obrazek w wysokiej rozdzielczości |
| BX165L | |
|---|---|
| Waga robota [kg] | 890 |
| Maksymalny udźwig [kg] | 165 |
| Maksymalny zasięg [mm] | 2597 |
| Ilość stopni swobody | 6 |
| Powtarzalność [mm] | +/- 0.06 |
| Zakres ruchu [°] | |
| JT1 | +/- 160 |
| JT2 | +76 ~ -60 |
| JT3 | +90 ~ -75 |
| JT4 | +/-210 |
| JT5 | +/-125 |
| JT6 | +/-210 |
| Prędkości [°/s] | |
| JT1 | 120 |
| JT2 | 110 |
| JT3 | 130 |
| JT4 | 170 |
| JT5 | 170 |
| JT6 | 280 |
| Montaż | |
| podłogowy | TAK |
| odwrotny | NIE |
| na ścianie | NIE |
| na półce | NIE |
| Kontroler | E02 |
| Stopień Ochrony IP | IP65 |
Opis robota:Robot serii BX wyposażony jest w szybsze i bardziej sprawne serwonapędy co w połączeniu z kompaktową budową i lekkimi materiałami użytymi do budowy elementów ramion pozwoliło uzyskać szybkiego i zwinnego robota. Niespotykanie małe wymiary montażowe to dodatkowa cecha, która pozwala na montaż tych robotów w szczególnie małych przestrzeniach roboczych. Zaawansowana funkcja stabilizacji drgań ramienia pozwala skrócić czas cyklu. |
Przestrzeń robocza![]() Pobierz obrazek w wysokiej rozdzielczości |
| BX165N | |
|---|---|
| Waga robota [kg] | 875 |
| Maksymalny udźwig [kg] | 165 |
| Maksymalny zasięg [mm] | 2325 |
| Ilość stopni swobody | 6 |
| Powtarzalność [mm] | +/- 0.06 |
| Zakres ruchu [°] | |
| JT1 | +/- 160 |
| JT2 | +76 ~ -60 |
| JT3 | +90 ~ -75 |
| JT4 | +/-210 |
| JT5 | +/-125 |
| JT6 | +/-210 |
| Prędkości [°/s] | |
| JT1 | 105 |
| JT2 | 130 |
| JT3 | 130 |
| JT4 | 120 |
| JT5 | 160 |
| JT6 | 300 |
| Montaż | |
| podłogowy | TAK |
| odwrotny | NIE |
| na ścianie | NIE |
| na półce | NIE |
| Kontroler | E02 |
| Stopień Ochrony IP | IP65 |
Opis robota:Robot serii BX wyposażony jest w szybsze i bardziej sprawne serwonapędy co w połączeniu z kompaktową budową i lekkimi materiałami użytymi do budowy elementów ramion pozwoliło uzyskać szybkiego i zwinnego robota. Niespotykanie małe wymiary montażowe to dodatkowa cecha, która pozwala na montaż tych robotów w szczególnie małych przestrzeniach roboczych. Zaawansowana funkcja stabilizacji drgań ramienia pozwala skrócić czas cyklu. |
Przestrzeń robocza![]() Pobierz obrazek w wysokiej rozdzielczości |
| BX200L | |
|---|---|
| Waga robota [kg] | 890 |
| Maksymalny udźwig [kg] | 200 |
| Maksymalny zasięg [mm] | 2597 |
| Ilość stopni swobody | 6 |
| Powtarzalność [mm] | +/- 0.06 |
| Zakres ruchu [°] | |
| JT1 | +/- 160 |
| JT2 | +76 ~ -60 |
| JT3 | +90 ~ -75 |
| JT4 | +/-210 |
| JT5 | +/-125 |
| JT6 | +/-210 |
| Prędkości [°/s] | |
| JT1 | 105 |
| JT2 | 90 |
| JT3 | 100 |
| JT4 | 120 |
| JT5 | 120 |
| JT6 | 200 |
| Montaż | |
| podłogowy | TAK |
| odwrotny | NIE |
| na ścianie | NIE |
| na półce | NIE |
| Kontroler | E02 |
| Stopień Ochrony IP | IP65 |
| BX200X | |
|---|---|
| Waga robota [kg] | 1450 |
| Maksymalny udźwig [kg] | 200 |
| Maksymalny zasięg [mm] | 3412 |
| Ilość stopni swobody | 6 |
| Powtarzalność [mm] | +/-0.07 |
| Zakres ruchu [°] | |
| JT1 | +/- 180 |
| JT2 | +76 ~ -60 |
| JT3 | +90 ~-110 |
| JT4 | +/- 210 |
| JT5 | +/-125 |
| JT6 | +/-210 |
| Prędkości [°/s] | |
| JT1 | 125 |
| JT2 | 102 |
| JT3 | 85 |
| JT4 | 105 |
| JT5 | 120 |
| JT6 | 200 |
| Montaż | |
| podłogowy | TAK |
| odwrotny | NIE |
| na ścianie | NIE |
| na półce | NIE |
| Kontroler | E02 |
Opis robota:Robot serii BX wyposażony jest w szybsze i bardziej sprawne serwonapędy co w połączeniu z kompaktową budową i lekkimi materiałami użytymi do budowy elementów ramion pozwoliło uzyskać szybkiego i zwinnego robota. Niespotykanie małe wymiary montażowe to dodatkowa cecha, która pozwala na montaż tych robotów w szczególnie małych przestrzeniach roboczych. Zaawansowana funkcja stabilizacji drgań ramienia pozwala skrócić czas cyklu. |
Przestrzeń robocza![]() Pobierz obrazek w wysokiej rozdzielczości |
| BX250L | |
|---|---|
| Waga robota [kg] | 1460 |
| Maksymalny udźwig [kg] | 250 |
| Maksymalny zasięg [mm] | 2812 |
| Ilość stopni swobody | 6 |
| Powtarzalność [mm] | +/- 0.07 |
| Zakres ruchu [°] | |
| JT1 | +/- 180 |
| JT2 | +76 ~ -60 |
| JT3 | +90 ~ -120 |
| JT4 | +/-210 |
| JT5 | +/-125 |
| JT6 | +/-210 |
| Prędkości [°/s] | |
| JT1 | 125 |
| JT2 | 120 |
| JT3 | 100 |
| JT4 | 140 |
| JT5 | 140 |
| JT6 | 200 |
| Montaż | |
| podłogowy | TAK |
| odwrotny | NIE |
| na ścianie | NIE |
| na półce | NIE |
| Kontroler | E02 |
| Stopień Ochrony IP | IP65 |
Opis robota:Robot serii BX wyposażony jest w szybsze i bardziej sprawne serwonapędy co w połączeniu z kompaktową budową i lekkimi materiałami użytymi do budowy elementów ramion pozwoliło uzyskać szybkiego i zwinnego robota. Niespotykanie małe wymiary montażowe to dodatkowa cecha, która pozwala na montaż tych robotów w szczególnie małych przestrzeniach roboczych. Zaawansowana funkcja stabilizacji drgań ramienia pozwala skrócić czas cyklu. |
Przestrzeń robocza![]() Pobierz obrazek w wysokiej rozdzielczości |
| BX300L | |
|---|---|
| Waga robota [kg] | 1460 |
| Maksymalny udźwig [kg] | 300 |
| Maksymalny zasięg [mm] | 2812 |
| Ilość stopni swobody | 6 |
| Powtarzalność [mm] | +/- 0.07 |
| Zakres ruchu [°] | |
| JT1 | +/- 180 |
| JT2 | +76 ~ -60 |
| JT3 | +90 ~ -120 |
| JT4 | +/-210 |
| JT5 | +/-125 |
| JT6 | +/-210 |
| Prędkości [°/s] | |
| JT1 | 125 |
| JT2 | 102 |
| JT3 | 85 |
| JT4 | 105 |
| JT5 | 110 |
| JT6 | 180 |
| Montaż | |
| podłogowy | TAK |
| odwrotny | NIE |
| na ścianie | NIE |
| na półce | NIE |
| Kontroler | E02 |
| Stopień Ochrony IP | IP65 |
Zostaw wiadomość lub zadaj pytanie – odpowiemy niezwłocznie.
Napisz do nas - odpowiemy w ciągu 24h
Potrzebujesz pomocy? Skontaktuj się z nami. Odpowiemy na wszystkie Twoje pytania.
WIŚNIOWSKI - cyfrowa indywidualizacja w fabryce przyszłości
Pierwsze w Polsce nowoczesne laboratorium sterowania i automatyki Astraada One na AGH w Krakowie
Nowoczesna produkcja wsadowa w zakładach chemicznych Stepan
Firma ASTOR od 30 lat wspiera podnoszenie efektywności procesów w przemyśle, produkcji oraz infrastrukturze dostarczając komponenty automatyki przemysłowej, robotyki, systemy IT oraz wiedzę biznesową i techniczną. Kierunek wspierania rozwoju i transformacji naszych Klientów wyznacza Przemysł 4.0. W naszym portfolio znajdują się systemy sterowania Emerson Industrial Automation&Control (dawniej GE Intelligent Platforms, GE Fanuc), Horner APG oraz Astraada One, oprogramowanie przemysłowe AVEVA (dawniej Wonderware), roboty przemysłowe Kawasaki i Epson, produkty do bezprzewodowej transmisji danych SATEL Oy i Astraada, a także falowniki, panele HMI i urządzenia sieciowe Astraada. Oferujemy usługi doradcze w ramach ASTOR Consulting i szkolenia w ramach Akademii ASTOR.
ASTOR Centrala
ul. Smoleńsk 29, 31-112 Kraków
12 428 63 00
PL
EN