Astraada DRV-21 dedykowana jest do aplikacji wymagających kompaktowego, funkcjonalnego i jednocześnie niedrogiego falownika. Małe gabaryty, prostota uruchamiania z wykorzystaniem odłączanego panela, wbudowany potencjometr i port komunikacyjny w standardzie sprawiają, że mogą zostać zaimplementowane do pracy jako niezależny układ napędowy lub szybko zintegrowane z resztą systemu.
Przy projektowaniu przemienników częstotliwości DRV-21 postawiony został cel optymalnego zmniejszenia gabarytów przy jednoczesnym zachowaniu funkcjonalności użytkowej. W efekcie seria ta została wykonana w dwóch wielkościach obudów: dla mocy do 0,75kW i powyżej tej wartości.
Falowniki DRV-21 w mniejszej obudowie (1-fazowe o mocach do 0,75 kW) zostały wyposażone w odpowiedni radiator odprowadzający ciepło, zapewniający chłodzenie pasywne. W falownikach większej mocy wykorzystano znany z pozostałych serii Astraada DRV układ chłodzenia wymuszonego pracujący w odseparowanym, od wnętrza przemiennika, kanale wentylacyjnym.
W serii DRV-21 dopracowana została w najmniejszych detalach konstrukcja obudowy, zapewniając jej wysoką sztywność oraz ergonomię, między innymi dzięki łatwemu dostępowi do terminala przyłączeniowego oraz możliwości blokowania osłony terminala w pozycji montażowej.

Przy projektowaniu przemienników częstotliwości DRV-21 postawiony został cel optymalnego zmniejszenia gabarytów przy jednoczesnym zachowaniu funkcjonalności użytkowej. W efekcie seria ta została wykonana w dwóch wielkościach obudów: dla mocy do 0,75kW i powyżej tej wartości.
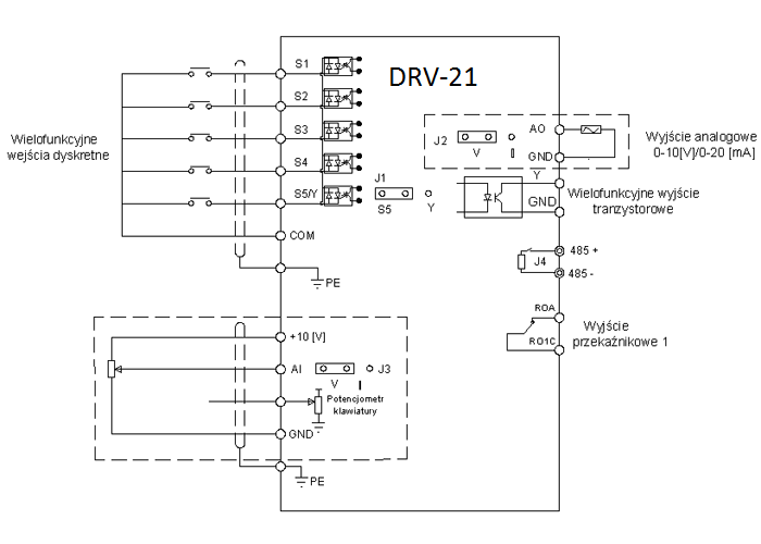
Z kolei wbudowany port RS485 z obsługą protokołu Modbus RTU pozwala na pełną parametryzację, sterowanie i monitorowanie urządzenia poprzez magistralę komunikacyjną z poziomu oprogramowania SCADA, panelu operatorskiego czy sterownika PLC.
| Typ wejścia/wyjścia | Ilość | Funkcjonalność |
| Wejścia dyskretne | 5* | 1kHz, logika dodatnia/ujemna, |
| Wejścia analogowe | 1 | 1x 0~10V, 0~20mA, |
| Wyjście dyskretne | 1* | tranzystorowe |
| Wyjścia przekaźnikowe | 1 | 3A/250VAC, 1A/30VDC |
| Wyjście analogowe | 1 | 0~10V, 0-20mA |
| Nr katalogowy | Znamionowa moc wyjściowa (kW) | Znamionowy prąd wejściowy (A) | Znamionowy prąd wyjściowy (A) | Typ obudowy |
| 1x 230 VAC ± 10% | ||||
| AS21DRV20C2 | 0.2 | 4.9 | 1.6 | A3 |
| AS21DRV20C4 | 0.4 | 6.5 | 2.5 | A3 |
| AS21DRV20C7 | 0.75 | 9.3 | 4.2 | A3 |
| AS21DRV21C5 | 1.5 | 15.7 | 7.5 | B3 |
| AS21DRV22C2 | 2.2 | 24 | 11 | B3 |
| 3x 400 VAC ± 10% | ||||
| AS21DRV40C7 | 0.75 | 3.2 | 2.5 | B3 |
| AS21DRV41C5 | 1.5 | 4.3 | 4.2 | B3 |
| AS21DRV42C2 | 2.2 | 7.1 | 5.5 | B3 |
Rysunek 1. Wymiary falowników
| Moc (kW) | Typ obudowy | W1 (mm) | W2 (mm) | H1 (mm) | H2 (mm) | D (mm) | Otwory montażowe (mm) |
| 0.2~0.4 (1x230VAC) | A3 | 85 | 74 | 140 | 131.5 | 134.2 | 5 |
| 0.75 (1x230VAC) | A3 | 85 | 74 | 140 | 131.5 | 153.2 | 5 |
| 1.5~2.2 (1x230VAC) | B3 | 100 | 89 | 165 | 154 | 153.2 | 5 |
| 0.75~2.2 | B3 | 100 | 89 | 165 | 154 | 153.2 | 5 |
|
||||
|---|---|---|---|---|
| DRV-21 | ||||
| Nazwa serii | Przemienniki częstotliwości małej mocy | |||
| Parametry pracy | ||||
| Metoda sterowania |
|
|||
| Rodzaje silników | Asynchroniczne | |||
| Zakres napięć zasilających | 230 VAC 1-fazowe 400 VAC 3-fazowe |
|||
| Zakres mocy | 0,2 ÷ 2,2 kW 1-faz 0,75 ÷ 2,2 kW 3-faz | |||
| Częstotliwość wyjściowa | 0 ÷ 400 Hz | |||
| Częstotliwość kluczowania | 1 kHz ÷ 15 kHz | |||
| Maksymalny moment rozruchowy | 150% przy 0,5Hz | |||
| Prąd przeciążeniowy | 150% In przez 60s 200% In przez 1 s |
|||
| Temperatura pracy | -10°C ÷ 50°C | |||
| Wejścia / Wyjścia (I/O) | ||||
| Wejścia dyskretne | 5* | |||
| Wyjścia dyskretne | 1* | |||
| Wyjścia przekaźnikowe | 1 | |||
| Wejścia analogowe | 1 (0-10V, 0-20mA) | |||
| Wyjścia analogowe | 1 (0-10V, 0-20mA) | |||
| Funkcjonalność | ||||
| Obsługiwane protokoły komunikacyjne | Modbus RTU (RS-485) | |||
| Wbudowany filtr wejściowy EMC | Nie (dokładany jako opcja) | |||
| Montaż „książkowy” | - | |||
| Wbudowany moduł hamujący | Tak | |||
| Wbudowany panel sterowania | LED | |||
| Kopiowanie parametrów przez panel zewnętrzny | - | |||
| Ważniejsze funkcje |
|
|||
Zaloguj się, by zobaczyć niższe ceny. Dla nowych kont potrzebujemy 24h na przydzielenie rabatu.
| Produkt | Cena netto |
|---|
Zostaw wiadomość lub zadaj pytanie – odpowiemy niezwłocznie.
Napisz do nas - odpowiemy w ciągu 24h
Potrzebujesz pomocy? Skontaktuj się z nami. Odpowiemy na wszystkie Twoje pytania.
Codesys - szkolenie na bazie sterowników Astraada One - cz. 2 rozszerzenie
Szkolenie z przemienników częstotliwości ASTRAADA DRV
Codesys - szkolenie na bazie sterowników Astraada One - cz. 1 podstawy
WIŚNIOWSKI - cyfrowa indywidualizacja w fabryce przyszłości
Pierwsze w Polsce nowoczesne laboratorium sterowania i automatyki Astraada One na AGH w Krakowie
Nowoczesna produkcja wsadowa w zakładach chemicznych Stepan
Firma ASTOR od 30 lat wspiera podnoszenie efektywności procesów w przemyśle, produkcji oraz infrastrukturze dostarczając komponenty automatyki przemysłowej, robotyki, systemy IT oraz wiedzę biznesową i techniczną. Kierunek wspierania rozwoju i transformacji naszych Klientów wyznacza Przemysł 4.0. W naszym portfolio znajdują się systemy sterowania Emerson Industrial Automation&Control (dawniej GE Intelligent Platforms, GE Fanuc), Horner APG oraz Astraada One, oprogramowanie przemysłowe AVEVA (dawniej Wonderware), roboty przemysłowe Kawasaki i Epson, produkty do bezprzewodowej transmisji danych SATEL Oy i Astraada, a także falowniki, panele HMI i urządzenia sieciowe Astraada. Oferujemy usługi doradcze w ramach ASTOR Consulting i szkolenia w ramach Akademii ASTOR.
ASTOR Centrala
ul. Smoleńsk 29, 31-112 Kraków
12 428 63 00
PL
EN